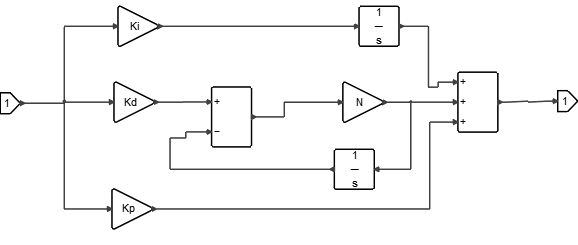
PID

PID

Diagram Context expand