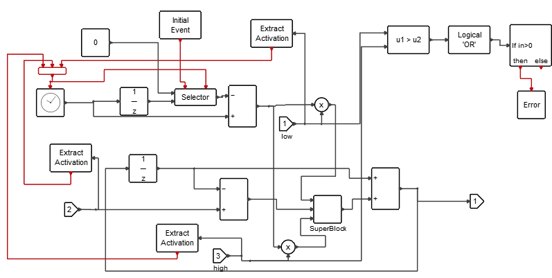
ControlledRateLimiter

ControlledRateLimiter

Diagram Context expand