OLine
Lossy Transmission Line
![]()
Library
Modelica/Electrical/Analog/Lines
Description
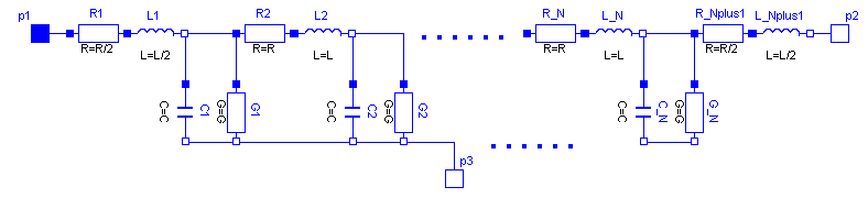
Like in the picture below, the lossy transmission line OLine is a single-conductor lossy transmission line which consists of segments of lumped resistors and inductors in series and conductor and capacitors that are connected with the reference pin p3. The precision of the model depends on the number N of lumped segments.
To get a symmetric line model, the first resistor and inductor are cut into two parts (R1 and R_Nplus1, L1 and L_Nplus1). These two new resistors and inductors have the half of the resistance respectively inductance the original resistor respectively inductor.

The capacitances are calculated with: C=c*length/N.
The conductances are calculated with: G=g*length/N.
The resistances are calculated with : R=r*length/(N+1).
The inductances are calculated with : L=l*length/(N+1).
For all capacitors, conductors, resistors and inductors the values of each segment are the same except of the first and last resistor and inductor, that only have the half of the above calculated value of the rest.
The user has the possibility to enable a conditional heatport. If so, the OLine can be connected to a thermal network. When the parameter alpha is set to an value greater than zero, the OLine becomes temperature sensitive
due to their resistors which resistances are calculated by R_actual = R*(1 + alpha*(heatPort.T - T_ref)) and conductors calculated by (G_actual = G/(1 + alpha*(T_heatPort - T_ref)).
Note, this is different to the lumped line model of SPICE.
- References:
- Johnson, B.; Quarles, T.; Newton, A. R.; Pederson, D. O.; Sangiovanni-Vincentelli, A.: SPICE3 Version 3e User's Manual (April 1, 1991). Department of Electrical Engineering and Computer Sciences, University of California, Berkley p. 12, p. 106 - 107
Parameters

| Name | Label | Description | Data Type | Valid Values |
|---|---|---|---|---|
mo_r | r | Resistance per meter | Scalar | |
mo_l | l | Inductance per meter | Scalar | |
mo_g | g | Conductance per meter | Scalar | |
mo_c | c | Capacitance per meter | Scalar | |
mo_length | length | Length of line | Scalar | |
mo_N | N | Number of lumped segments | Scalar | |
mo_alpha_R | alpha_R | Temperature coefficient of resistance (R_actual = R*(1 + alpha*(T_heatPort - T_ref)) | Scalar | |
mo_alpha_G | alpha_G | Temperature coefficient of conductance (G_actual = G/(1 + alpha*(T_heatPort - T_ref)) | Scalar | |
mo_useHeatPort | useHeatPort | =true, if HeatPort is enabled | Number | 0 |
mo_T | T | Fixed device temperature if useHeatPort = false | Scalar | |
mo_T_ref | T_ref | Scalar | ||
mo_rm | rm | Vector | ||
mo_lm | lm | Vector |

| Name | Label | Description | Data Type | Valid Values |
|---|---|---|---|---|
mo__nmodifiers | Number of Modifiers | Specifies the number of modifiers | Number | |
mo__modifiers | Modifiers | Add new modifier | Structure | |
mo__modifiers/varname | Variable name | Cell of strings | 'v13' | |
mo__modifiers/attribute | Attribute | Cell of strings | 'start' | |
mo__modifiers/value | Value |
Ports
| Name | Type | Description | IO Type | Number |
|---|---|---|---|---|
p1 | implicit | input | 1 | |
p2 | implicit | input | 2 | |
p3 | implicit | input | 3 | |
Port 4 | implicit | input | mo_useHeatPort |