HBridge
H bridge (four quadrant converter)
![]()
Library
Modelica/Electrical/PowerConverters/DCDC
Description
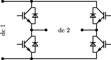
The H bridge is a four quadrant DC/DC converter. It consists of two single phase DC/AC converters which are controlled differently; see Fig. 1.
|
If the firing inputs fire_p and fire_n are inverse, the two legs are controlled symmetrically so that full positive or negative output voltage can be generated. See examplesDCDC.HBridge.
Parameters

| Name | Label | Description | Data Type | Valid Values |
|---|---|---|---|---|
mo_T_heatPort | T_heatPort | T_heatPort | Structure | |
mo_T_heatPort/fixed | fixed | Cell of scalars | true | |
mo_T_heatPort/start | start | Cell of scalars | ||
mo_useHeatPort | useHeatPort | =true, if heatPort is enabled | Number | 0 |
mo_T | T | Fixed device temperature if useHeatPort = false | Scalar | |
mo_RonTransistor | RonTransistor | Transistor closed resistance | Scalar | |
mo_GoffTransistor | GoffTransistor | Transistor opened conductance | Scalar | |
mo_VkneeTransistor | VkneeTransistor | Transistor threshold voltage | Scalar | |
mo_RonDiode | RonDiode | Diode closed resistance | Scalar | |
mo_GoffDiode | GoffDiode | Diode opened conductance | Scalar | |
mo_VkneeDiode | VkneeDiode | Diode threshold voltage | Scalar | |
mo_m | m | Number of phases | Scalar |

| Name | Label | Description | Data Type | Valid Values |
|---|---|---|---|---|
mo_useConstantEnable | useConstantEnable | true = disabled boolean input, use constantEnable | Number | 0 |
mo_constantEnable | constantEnable | Constant enabling of firing signals | Scalar | true |

| Name | Label | Description | Data Type | Valid Values |
|---|---|---|---|---|
mo__nmodifiers | Number of Modifiers | Specifies the number of modifiers | Number | |
mo__modifiers | Modifiers | Add new modifier | Structure | |
mo__modifiers/varname | Variable name | Cell of strings | 'vDC1' | |
mo__modifiers/attribute | Attribute | Cell of strings | 'start' | |
mo__modifiers/value | Value |
Ports
| Name | Type | Description | IO Type | Number |
|---|---|---|---|---|
dc_p1 | implicit | Positive DC input | input | 1 |
dc_n1 | implicit | Negative DC input | output | 1 |
dc_p2 | implicit | Positive DC output | input | 2 |
dc_n2 | implicit | Negative DC output | output | 2 |
fire_p | implicit | Firing signal of positive potential transistor | input | 3 |
fire_n | implicit | Firing signal of negative potential transistor | input | 4 |
Port 7 | implicit | Conditional heat port | input | mo_useHeatPort |
Port 8 | implicit | Enables fire and notFire | input | 1-mo_useConstantEnable |