Tutorial: Simulating a Guitar Amplifier Signal
Learn how to define a circuit block and run a transient and frequency-domain analysis for a guitar amplifier.
Files for This Tutorial
Amplifier directory.
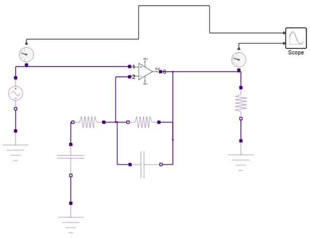
Overview of a Guitar Amplification Problem

- Circuit model: opamp_model.scm
- Circuit model: opamp_model_AC.scm
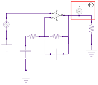
- Spice Library: opamp
The opamp Spice library contains the following block definition and schematic used in the circuit models.
Opamp.cir:* .SUBCKT OPAMP1 1 2 6 * @ACTPO: 3 * INPUT IMPEDANCE RIN 1 2 10MEG * GAIN BW PRODUCT = 10MHZ * DC GAIN (100K) AND POLE 1 (100HZ) EGAIN 3 0 1 2 100K RP1 3 4 1K CP1 4 0 1.5915UF * OUTPUT BUFFER AND RESISTANCE EBUFFER 5 0 4 0 1 ROUT 5 6 10 .ENDSOPAMP1.svg:
Import the Opamp Block
Open the Amplifier Model





