Char. - Model - Motor - Basic

1. Positioning and objective

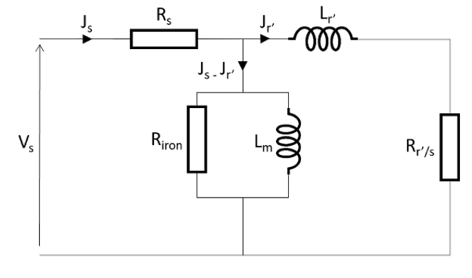
The aim of the test “Characterization – Model – Motor – Linear” is to identify the parameters of an electrical equivalent scheme of the 3-Phase induction machine with squirrel cage according to targeted input values U and f (Magnitude of line-line voltage and Power supply frequency).

This test can be described into three main steps:

  • First, the equivalent scheme called “Original Model” is characterized by performing the two following classical tests: The No-load test and the locked-rotor test.
  • Then, it is possible to improve the accuracy of the “Original model” by using refinement process to obtain a “Refined Model”.
  • And lastly, once the model identification is done, it is possible to evaluate machine behavior by considering various working point defined by the magnitude of “Operating line-line voltage” and “Operating power supply frequency”.

Note: At any time, the relevance of the model parameters can be checked by comparing the results got with this model and those got with the Finite Element computations.



“Characterization – Model – Motor – Linear” – Illustration of the model
Warning: The resulting model is a linear one, so it cannot provide accurate results on the whole ranges of operating voltages and frequencies.

To get a good accuracy of results, it is highly recommended to use the model with a Line-Line voltage and even more a Power supply frequency close to those used for its identification.

Based on the resulting electrical equivalent scheme, results are computed and displayed to give an overview of the electromagnetic analysis of the machine. General data of the machine, like mechanical torque, currents, power factor and power balance are computed and displayed as curves.

System integrators and / or control-command engineers will find a tool adapted to their needs. Indeed, the resulting equivalent scheme can be used into a system simulation software for evaluating the interaction between the machine and the system in which it is integrated.

The following table helps to classify the test “Characterization – Model – Motor – Basic”.

Family Characterization
Package Model
Convention Motor
Test Basic
Positioning of the test “Characterization – Model – Motor – Basic”

2. User inputs

The main user input parameters are the Line-Line voltage and the power supply frequency. Then, other inputs allow to refine and to evaluate the resulting model.

In addition, temperatures of winding and squirrel cage must be set.

3. Main outputs

Test results are illustrated with data, graphs and tables

For the model identification, as well as for the model evaluation the same results are computed and displayed:

3.1 Table or results

  1. Equivalent scheme parameters

    • Parameters
  2. Machine performance – No load

    • General data
    • Machine constants
    • Power balance
  3. Machine performance – Locked-rotor

    • General data
    • Machine constants
    • Power balance
  4. Machine performance - Various working points (Breakdown torque, motor starting torque)

    • General data
    • Machine constants
    • Power balance

3.2 Curves

  1. Mechanical torque versus slip
  2. Stator current versus slip
  3. Efficiency versus slip
  4. Power factor versus slip
  5. Power balance versus slip
  6. Losses versus slip
  7. Iron losses versus slip
  8. Joule losses versus slip
  9. Current density versus slip