SS-V: 5010 Z-Shaped Cantilever
Test No. VNL02 Find vertical dsiplacements of a Z-shaped cantilever beam under transverse loads of varying magnitude.
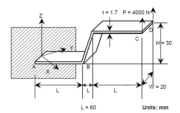
Definition

Figure 1.
The load is conservative and its direction does not change while the cantilever deforms.
- Properties
 - Value
 - Modulus of Elasticity
 - 2.e+11 pa
 - Poisson's Ratio
 - 0.3
 
Results
| Load [N] | SOL Reference * | SimSolid | % Difference | 
|---|---|---|---|
| 300 | 113.0 | 113.3 | 0.24% | 
| 500 | 124.1 | 122.1 | -1.58% | 
| 1000 | 131.0 | 133.3 | 1.78% | 
| 2500 | 139.5 | 143.4 | 2.82% | 
| 4000 | 144.0 | 144.8 | 0.53% | 
* SOL Reference is a thin shell model
                Figure 2.